Motorredutor 0,5CV Eixo Vazado Redução 1:40 Weg Geremia GSA51
- Marca: WEG CESTARI
- Ref.: 37302
Um motor redutor coroa e rosca sem fim é um dispositivo mecânico usado para reduzir a velocidade de rotação de um motor elétrico e aumentar o torque de saída.
O redutor é composto por uma coroa (engrenagem circular com dentes exteriores) e uma
O redutor é composto por uma coroa (engrenagem circular com dentes exteriores) e uma
Lamentamos mas este produto está esgotado
Clique abaixo para ser informado quando o produto estiver disponível
DETALHES DO PRODUTO
FICHA TÉCNICA:
Marca: Weg Cestari
Referência: GSA51
Código Weg: 16884347
Descrição do produto: Motorredutor
Modelo: GSA Coroa e Rosca sem fim
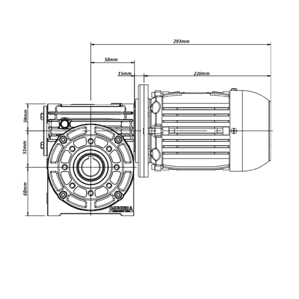
REDUTOR:
Disposição dos eixos: Ortogonal
Engrenagens: Sem Fim
Carcaça: Alumínio
Carcaça: C51
Redução: 1:40
Potência de consumo: 0,37kW
Torque: 55 Nm
Fator de serviço: 1,25
RPM de saída: 42.50
Entrada do redutor: Flange
Eixo de entrada do redutor: Horizontal
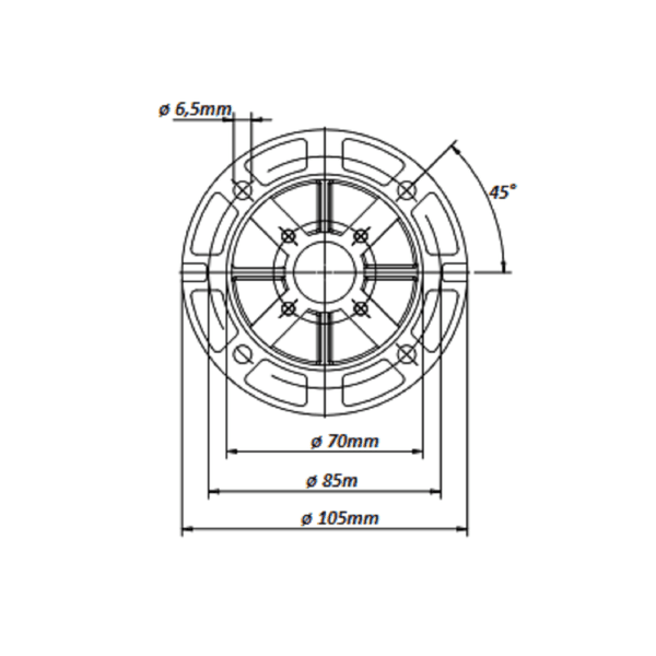
Eixo de saída do redutor: Vazado
Posição do eixo de entrada em relação ao eixo de saída: Eixo de entrada horizontal superior
Acessórios: Nenhum
MOTOR:
Tensão de alimentação do motor: 220/380/440Vca
Entrada: Trifásico
Frequência nominal: 60Hz
Potência do motor: 0,5CV (1/2CV)
Quantidade de polos: 4
Rotação nominal: 1700RPM
Sentido de rotação: Ambos
Fator de serviço: 1.25
Grau de proteção: IP55
Dimensões aproximadas:
Altura: 24cm
Largura: 45cm
Profundidade: 23,5cm
Peso: 14,864Kg
PRINCIPAIS APLICAÇÕES:
- Máquinas de transporte, como transportadores e esteiras.
- Guindastes e guinchos.
- Robótica industrial, para controlar movimentos de braços robóticos.
- Máquinas-ferramenta, como tornos e fresadoras.
- Equipamentos de elevação, como elevadores e plataformas elevatórias.
- Indústria automobilística, em sistemas de acionamento de portas e janelas elétricas.
Marca: Weg Cestari
Referência: GSA51
Código Weg: 16884347
Descrição do produto: Motorredutor
Modelo: GSA Coroa e Rosca sem fim
REDUTOR:
Disposição dos eixos: Ortogonal
Engrenagens: Sem Fim
Carcaça: Alumínio
Carcaça: C51
Redução: 1:40
Potência de consumo: 0,37kW
Torque: 55 Nm
Fator de serviço: 1,25
RPM de saída: 42.50
Entrada do redutor: Flange
Eixo de entrada do redutor: Horizontal
Eixo de saída do redutor: Vazado
Posição do eixo de entrada em relação ao eixo de saída: Eixo de entrada horizontal superior
Acessórios: Nenhum
MOTOR:
Tensão de alimentação do motor: 220/380/440Vca
Entrada: Trifásico
Frequência nominal: 60Hz
Potência do motor: 0,5CV (1/2CV)
Quantidade de polos: 4
Rotação nominal: 1700RPM
Sentido de rotação: Ambos
Fator de serviço: 1.25
Grau de proteção: IP55
Dimensões aproximadas:
Altura: 24cm
Largura: 45cm
Profundidade: 23,5cm
Peso: 14,864Kg
PRINCIPAIS APLICAÇÕES:
- Máquinas de transporte, como transportadores e esteiras.
- Guindastes e guinchos.
- Robótica industrial, para controlar movimentos de braços robóticos.
- Máquinas-ferramenta, como tornos e fresadoras.
- Equipamentos de elevação, como elevadores e plataformas elevatórias.
- Indústria automobilística, em sistemas de acionamento de portas e janelas elétricas.
AVALIAÇÕES
Não há avaliações para este produto.
:quality(80)/viniaaou/catalog/api/viniaaou_integrac/69604824bea70.jpg)
:quality(80)/viniaaou/catalog/api/viniaaou_integrac/69604824d99f8.jpg)
:quality(80)/viniaaou/catalog/api/viniaaou_integrac/69604824edade.jpg)
:quality(80)/viniaaou/catalog/api/viniaaou_integrac/696048252260a.jpg)
:quality(80)/viniaaou/catalog/api/viniaaou_integrac/696048254203d.jpg)
:quality(80)/viniaaou/catalog/api/viniaaou_integrac/6960482565698.jpg)
:quality(80)/viniaaou/catalog/api/viniaaou_integrac/6960482580e2a.jpg)
:quality(80)/viniaaou/catalog/api/viniaaou_integrac/69604824bea70.jpg)
:quality(80)/viniaaou/catalog/api/viniaaou_integrac/69604824d99f8.jpg)
:quality(80)/viniaaou/catalog/api/viniaaou_integrac/69604824edade.jpg)
:quality(80)/viniaaou/catalog/api/viniaaou_integrac/696048252260a.jpg)
:quality(80)/viniaaou/catalog/api/viniaaou_integrac/696048254203d.jpg)
:quality(80)/viniaaou/catalog/api/viniaaou_integrac/6960482565698.jpg)
:quality(80)/viniaaou/catalog/api/viniaaou_integrac/6960482580e2a.jpg)